CO2-neutral forsendelse1 Nem behandling af returvarer

fischer Slaganker EA II M6 R, Dyvel (rustfrit stål)

kr. 2.219,00
( kr. 22,19 / Piece )
Inkl. moms plus fragt frakr. 76,00
Ikke på lager, tilgængelig fra bestillingsdato om 6-10 arbejdsdage

Produktbeskrivelse

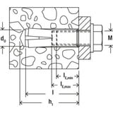
Fischer-anslagsankeret EA II M6 R er indstillet i enkel anslagsmontering. Den prægede kant forhindrer dybere glidning af ankerbøsningen og sikrer problemfri installation. Det metriske kvindelige gevind tillader brug af kommercielt tilgængelige skruer eller gevindstænger til den ideelle tilpasning til den respektive applikation. Enheden af ankerbøsning og indvendig Ekspansionskegle muliggør maksimal bæreevne. Fischer-stødankeret EA II M6 R er ideelt til fastgørelse af f.eks. rør og ventilationsrør, sprinkleranlæg, kabelbakker og stiger, gitre, stålkonstruktioner, maskiner, beslag eller forskallingsstøtter i revnet og ikke-revnet beton og natursten.Art-Nr.: 1879660